【WAT-1300/CS】
超小型・高感度HD-SDIデイナイトカメラ
型番: WAT-1300/CS
販売元: WATEC
- 出力形式HD-SDI 720/60p,50pで遅延の少ない滑らかな映像が撮影可能 1メガピクセルのセンサーを使用する事で低消費電力/低発熱設計を実現
- 高感度で照明が少ない環境でも鮮明な撮影が可能
- 小型ながらデュアルパスフィルタを使用することで Day/Night 機能を搭載
- OSDにより、設置場所で撮影環境に合わせた設定変更が可能
- CSマウントに対応し、様々なレンズを装着可能
[納期区分] お取り寄せ:4~10営業日以内に出荷
WATEC製品はメーカー欠品時、長期納期を要する場合がございます。
事前に納期のご確認をお願い致します。
【商品説明】超小型・高感度HD-SDIデイナイトカメラ WAT-1300/CS
低消費、低発熱の1メガピクセル 1/3.2型 CMOSイメージセンサー
WAT-1300/CSは720/60p、50pのHD-SDI信号を出力します。
遅延の少ない滑らかな映像が撮影可能で、動画性能を重視したニーズに適合します。
また、1メガピクセルのイメージセンサーを採用することで機器の低消費電力、低発熱設計を実現しました。
高感度で鮮明な映像を実現
WAT-1300/CSは最低被写体照度0.006Lux/F2.0(AGC ON=54dB,Shutter=OFF)の高感度撮影に対応します。
組み込みの際等で、十分な照度が得られない環境下での撮影にも対応します。
CSマウントレンズ対応
WAT-1300/CSはレンズ別売モデルとなります。
レンズマウントはCSマウントに対応しているので、超広角レンズや望遠レンズを始め、撮影する被写体に応じて、最適な焦点距離に調整可能なバリフォーカルレンズなど、幅広いラインナップのレンズと交換可能です。
また、別売のCマウント変換リングを使用することでCマウントレンズを装着することも出来ます。
※オートアイリス端子は備わっておりませんのでオートアイリスレンズを装着することはできません。
ICRメカレスデイナイト機能搭載
WAT-1300/CSはICRメカレスデイナイト機能を搭載し、十分な照度が得られる環境ではカラー撮影を行い、低照度となった際には、カメラの感度を向上させ白黒撮影に切り替え、高感度撮影を行うことができます。
RGBWイメージセンサと光学デュアルパスフィルタを組み合わせることで、ICR(Infrared Cut filter Removal)機構を使用しないデイナイトカメラを実現しています。夜間など周囲の照度が低くなった場合に、近赤外の波長まで含めた撮像を行うことでカメラの感度を向上させ、夜間における視認性を高めることができます。
多彩な機能をOSD(オンスクリーンディスプレイ)による操作で設定可能
WAT-1300/CSは別売りの有線リモコンRC-01を使用することによって、シャッタースピードの変更やホワイトバランスの調整等の様々な設定が可能であり、撮影環境に合わせた調整ができます。
【超小型・高感度 HD-SDI デイナイトカメラ WAT-1300/CS】のご紹介
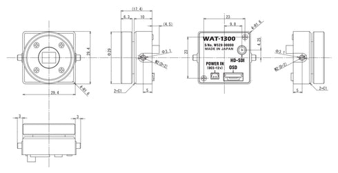
WAT-1300/CSは国内CCDカメラメーカーであり、超小型カメラ分野において世界のパイオニアでもあるWATEC(ワテック)製の超小型・高感度HD-SDIデイナイトカメラです。WAT-1300/CSのコンセプトは超小型、低消費電力をもとに設計されており、1/3.2インチのCMOSイメージセンサーを採用することで本体サイズ29.4mm角という超小型サイズを実現しました。また、消費電力は1Wを切る0.9Wという低消費電力と低発熱設計を実現し、低電圧設計で装置やシステム内へ組み込むことが可能です。
WAT-1300/CSはHD-SDI出力による720/60p、50pで遅延の少ない滑らかな映像による撮影が可能な為、動画性能を重視した撮影に適します。低照度撮影能力も長けており、最低被写体照度0.006Lux/F2.0(AGC ON=54dB,Shutter=OFF)の高感度撮影に対応することで、十分な照度が得られない環境下での撮影にも対応します。
また、機能面では、WAT-1300/CSはデュアルパスフィルタを使用することにより、小型筐体でありながらDay/Night機能を使用することが可能です。また、別売りのリモコンを使用することにより設置環境に合わせた多彩な機能の設定調整が可能で、様々な場面でのシーンにも対応します。
WAT-1300/CSにはレンズが付属しておらず、別途レンズをご用意いただく必要があります。採用されているイメージセンサーは1メガピクセルとなりますので、1メガピクセル以上に対応したレンズと組み合わせていただければこのカメラのポテンシャルを発揮することが可能です。また、Cマウント変換リングを使用すればCマウントタイプのレンズを装着させることもできます。
WAT-1300/CSは720/60p、50pによる遅延の少ない滑らかな映像と低照度撮影能力を備え、本体サイズの超小型化、そして低消費電力、低発熱設計により、産業用、工業用の組み込み用のカメラとして優れたパフォーマンスを発揮できるHD-SDI方式の超小型カメラです。
【仕様・アクセサリー】超小型・高感度HD-SDIデイナイトカメラ WAT-1300/CS
WAT-1300/CS 仕様
| 撮像素子 | 1/3.2 型CMOS イメージセンサー |
| 有効画素数 | 1280(H) × 720(V) |
| セルサイズ | 3.5μm × 3.5μm |
| 撮像方式 | RGB+W原色ベイヤ配列モザイクオンチップフィルタ |
| 同期方式 | 内部同期 |
| 走査方式 | プログレッシブ |
| 映像出力 | HD-SDI |
| 出力形式 | 720/60p、720/50p ※工場出荷時に設定 |
| 解像度 | 650本以上(画面中央) |
| 最低被写体照度 | 0.006x F2.0 (AGC ON=54dB、Shutter=OFF) |
| S/N | 50dB 以上(AGC OFF=0dB、γ=1.0) |
| 機能設定 | OSD ( オンスクリーンディスプレイ) :リモコン |
| AEモード | 電子シャッター 1/60(1/50)、1/100、1/120、1/500、1/1000、1/2000、 1/4000、1/8000、1/100000、1/50000、1/100000(秒) 電子アイリス 1/60(1/50)- 1/100000(秒) |
| ホワイトバランス | ATW、AWB、PWB、MWB、USER1、USER2 |
| AGC | ON:0 - 54dB OFF:0dB |
| MGC | 0-72dB(5dB step) |
| Day/Night | ICRメカレスColor、B/W |
| ガンマ特性 | γ?0.45 |
| ノイズリダクション | 2DNR OFF/ON レベル調整可能 |
| ワイドダイナミックレンジ | WDE OFF/ON レベル調整可能、D-WDR OFF/ON レベル調整可能 |
| レンズアイリス | ― |
| 逆光補正 | BLC,HSBLC |
| 白点補正 | ― |
| デジタルズーム | ― |
| プライバシーマスク | 16 masks |
| ミラー反転 | OFF, V-FLIP, H-FLIP, HV-FLIP |
| フリーズ | ― |
| 動体検出 | ― |
| ネガポジ反転 | ― |
| インターフェース | MCXコネクター(75Ω)、2Pコネクター(電源入力)、リモコン(RC-01) |
| 電源電圧 | DC+5V-12V |
| 消費電力 | 0.85W/170mA(DC+5V)、0.9W/75mA(DC+12V) |
| 動作/保管温度 | -10 - +50℃ / -30 - +70℃ |
| 動作/保管湿度 | 95%RH 以下 ( 結露しないこと ) |
| レンズマウント | CS マウント |
| 質量 | 約35g |
| 付属品 | 2Pケーブル、MCX-BNCケーブル |
- 商品は品質改善の為、予告なく仕様が変更となる場合がございます。
WAT-1300/CS アクセサリー
こちらの商品に対応した主なアクセサリーカテゴリーの一覧です。必要なアクセサリーがありましたら別途お買い求めください。
| 対応アクセサリー | 説明 |
|---|---|
| 電源・電源装置 | 本商品には電源は付属しておりません。 常時電源を取る場合、 別途【DC12V-1Aスイッチング式ACアダプター】をお買い求め下さい。 |
| コネクタ付ケーブル CB-10 | 本商品には先バラの加工が必要な電源ケーブルが付属します。コネクタがついている電源ケーブルが必要な場合は、【CB-10】をお買い求めください。 |
| ケーブル | こちらの商品には配線ケーブルは付属しておりません。配線ケーブルが必要な場合は別途お買い求めください。組み合わせにお薦めの商品は【YKS-〇〇VPケーブル】や【YKS-〇〇HDVPケーブル】がお薦めです。 |
| 取付金具 | こちらの商品には取付金具は付属しておりません。別売のブラケット【B001】と組み合わせることで、市販の三脚等への取り付けが可能となります。 |
| レンズ | こちらの商品にはレンズは付属しておりません。レンズが必要な場合は別途お買い求めください。 対応レンズはCSマウントレンズの交換に対応します。 |
| コネクタ | 接続に際して、変換コネクタが必要な場合は別途お買い求めください。 |
| レコーダー | こちらの商品を録画するには、HD-SDIに対応したデジタルレコーダーを別途お買い求めください。 |
上記アクセサリー以外にも様々な周辺機器・アクセサリーをお取り扱いしております。【周辺機器・アクセサリー】のカテゴリーもぜひご覧ください。
【ダウンロード一覧】超小型・高感度HD-SDIデイナイトカメラ WAT-1300/CS
仕様書 / 外形寸法図 / 取扱説明書 / ユーザーマニュアル ダウンロード
※メーカーサイトへのリンクとなります。
| 仕様書 | |
|---|---|
| 外形寸法図 | |
| 取扱説明書 | |
| ユーザーマニュアル |












