【商品説明】超小型USB2.0フルHDカラーカメラ WAT-08U2(G3.6)
WATEC USBカメラシリーズ最小モデル
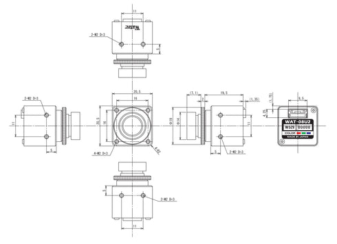
WAT-08U2(G3.6)は本体サイズ20.5×20.5×30mmという驚異的なマイクロサイズを実現したWATEC製USB2.0フルHDカラーカメラです。
コンパクトな筐体サイズでも、パワフルな撮影能力を備え、カメラの設置場所を選ばず、監視用途のみならず組込みや画像センターとしての使用にも最適です。
フルHD(1920×1080P)解像度で30fpsの映像出力が可能
WAT-08U2(G3.6)は有効画素数1945(H)×1097(V)の1/2.8型CMOSイメージセンサーを搭載しています。
1920×1080のフルHD出力に対応し、最大フレームレートは30fpsのフル動画による滑らかな映像出力が可能です。
USB Video Class & USBバスパワー対応
WAT-08U2(G3.6)はUSB Video Class規格に対応しているので専用ドライバ不要で、カメラとPCの初回接続時に自動的にドライバがインストールされます。また、電源はUSB給電となりますので電源ケーブルは不要でUSBポートに差し込むだけで自動的にカメラを認識してご使用いただくことができます。
M12レンズと専用ケーブルでスペースを大幅節約
レンズ固定リングでピントズレを防止
WAT-08U2(G3.6)は微振動等により少しずつ発生してしまうピントズレを防止する為、レンズ固定リングが標準装着されております。
これにより常に良好な撮影を行うことができます。
※振動のある場所での使用を推奨するものではありませんのでご注意ください。
ビューアソフトで各種設定・撮影が可能
WAT-08U2(G3.6)はUSBカメラなのでパソコンで映像を見ることができます。映像の表示には専用ビューアソフトを使用します。
また、カメラに内蔵しているISP(Image Signal Prosessor)により、シャッタースピード/ゲイン/ホワイトバランスなどお使いの環境に合わせた調整が可能で、各調整は専用ビューアソフト上から行うことができます。
ビューアソフトでは静止画(.jpg)と動画(.avi)保存の両方に対応し、動画録画と静止画記録と用途に合わせた保存を行うことができます。
【超小型USB2.0フルHDカラーカメラ WAT-08U2(G3.6)】のご紹介
WAT-08U2(G3.6)は国内CCDカメラメーカーであり、超小型カメラ分野において世界のパイオニアでもあるWATEC(ワテック)製の超小型USB2.0フルHDカラーカメラです。WATEC USBカメラシリーズで最小サイズとなる20.5×20.5×30mmという驚異のマイクロサイズを実現しました。また、コンパクトな筺体からは想像のできない撮影能力を発揮でき、撮影解像度は最大で1920×1080のフルHD解像度による30fpsフル動画撮影を行うことができ、コンパクトな筺体ながら驚異的な高精細映像で撮影することができます。また、ある程度の低照度撮影能力も有しており、最低被写体照度は0.3lx~0.07lxの高感度を誇ります。
WAT-08U2(G3.6)はUSBカメラ等のビデオデバイスをコンピュータに接続する為の標準規格であるUVC(USB Video Class)に対応します。一般的に使用されているWindowsやmacOSのパソコンであれば、カメラとPCを初回USB接続時に自動的にドライバがインストールされ、別途ドライバを用意する必要が無く、インストールを容易にします。また、USBバスパワー対応なので、電源を用意する必要がなく接続機器側からのUSB給電によりご使用いただくことができます。
WAT-08U2(G3.6)のレンズ部には、M12のミニレンズを採用しており、同じM12を交換できるので広角から望遠まで対応することが可能です。また、レンズ固定リングを採用することによって交換時や調整時、長期運用時のピントのズレを防止します。
WAT-08U2(G3.6)の映像を見る為には専用のビューアソフトが必要になり、ビューアソフトはメーカーウェブサイトよりダウンロードしていただくことができます。ビューアソフトではカメラに内蔵しているISP(Image Signal Prosessor)により、シャッタースピード/ゲイン/ホワイトバランスなどお使いの環境に合わせた調整を行うことができ、静止画保存(JPEG)や動画録画(AVI形式)を行うこともできます。
WAT-08U2(G3.6)はUSBカメラと言う点から防犯用途には不向きですが、驚異的なコンパクトサイズと高精細撮影能力を備えているので、機器の組込みカメラとして大変優秀なモデルです。消費電力も0.75Wと低消費電力で、本体の前面、側面の取り付けネジによるフレキシブルな取付に対応する等、組込み設計が大変容易になっており、産業用、工業用等の業務用途ユースに最適なUSBカメラです。
【仕様・アクセサリー】超小型USB2.0フルHDカラーカメラ WAT-08U2(G3.6)
WAT-08U2(G3.6) 仕様
| 撮像素子 | 1/2.8 型CMOS イメージセンサ |
| 有効画素数 | 1945(H) × 1097(V) |
| セルサイズ | 2.9μm × 2.9μm |
| 撮像方式 | RGB+W原色ベイヤ配列モザイクオンチップフィルタ |
| 同期方式 | 内部同期 |
| 走査方式 | プログレッシブ |
| 出力サイズ | 1920×1080、1280×720、640×480、320×240 |
| 最大フレームレート | 30 fps |
| 圧縮形式 | MJPG、YUY2 |
| 映像出力 | USB Video Class 対応 |
| 解像度(H) | 900本以上(画面中央) |
| 最低被写体照度 | 0.3x F2.0 (AGC ON=36dB、Shutter=OFF) 0.07x F2.0 (AGC ON=36dB、Shutter=1/75秒) |
| S/N | - |
| 機能設定 | Camera Viewer |
| AEモード 電子シャッター |
低速シャッター1/15、1/7.5、1/4(秒) 1/30、1/60、1/120、1/250、1/500、1/1000、1/2000、1/4000、1/8000(秒) |
| AEモード 電子アイリス |
1/30 - 1/8000(秒) 1/7.5 - 1/8000(秒) |
| ホワイトバランス | ATW, MWB |
| AGC | ON :0 - 56dB OFF:- |
| MGC | 0 - 72dB (1dB step) |
| ガンマ特性 | γ≒USER(レベル調整可能) |
| ノイズリダクション | - |
| ワイドダイナミックレンジ | - |
| 逆光補正 | BLC |
| 白点補正 | - |
| 輪郭補正 | レベル調整可能 |
| 霧補正 | - |
| デジタルズーム | ×1、×1.38、×2.25 ※640×480時 ×1、×1.2、×1.5 ※1280×720時 |
| プライバシーマスク | - |
| ミラー反転 | - |
| フリーズ | - |
| 動体検出 | - |
| ネガポジ反転 | - |
| インターフェース | USB(High speed) |
| 電源電圧 | USB +5V |
| 消費電力 | 0.75W (150mA) |
| 動作温度 | -10℃~+50℃ |
| 保管温度 | -30℃~+70℃ |
| 動作/保管湿度 | 95%RH以下(結露しないこと) |
| レンズマウント | M12 P=0.5mm |
| 標準レンズ | M3620BC-12(f36mm F2.0) |
| ケーブル長 | 1.0m(最大3.0m) |
| 重 量 | 約18g |
| 付属品 | USBケーブル(USB2.0 Standard-A)、M12レンズ固定リング |
| システム CPU | Intel Core シリーズ |
| システム メモリー | 2GB 以上 |
| システム その他 | USB2.0ポート、1920×1080以上の解像度を持つモニター |
| 動作確認済みOS | Windows10 32bit/64bit、Windows11、Android 4.0以降 |
- 商品は品質改善の為、予告なく仕様が変更となる場合がございます。
WAT-08U2(G3.6) アクセサリー
こちらの商品に対応した主なアクセサリーカテゴリーの一覧です。必要なアクセサリーがありましたら別途お買い求めください。
| 対応アクセサリー | 説明 |
|---|---|
| 取付金具 | こちらの商品には取付金具は付属しておりません。別売の三脚アダプター【B005】と組み合わせることで、市販の三脚等への取り付けが可能となります。 |
上記アクセサリー以外にも様々な周辺機器・アクセサリーをお取り扱いしております。【周辺機器・アクセサリー】のカテゴリーもぜひご覧ください。
【FAQ・よくあるご質問】超小型USB2.0フルHDカラーカメラ WAT-08U2(G3.6)
電源はどの様にとれますか?
本商品はUSBバスパワー対応の為、USB接続をしたパソコン等から電源給電を受けて駆動します。
【ダウンロード一覧】超小型USB2.0フルHDカラーカメラ WAT-08U2(G3.6)
仕様書 / 外形寸法図 / 取扱説明書 / ユーザーマニュアル ダウンロード
※メーカーサイトへのリンクとなります。
| 仕様書 | |
|---|---|
| 外形寸法図 | |
| 取扱説明書 | |
| ユーザーマニュアル |














