Zoom
【TR-UP06-C-IN】
ポール取付金具
型番: TR-UP06-C-IN
販売元: UniView
¥9,999,999
こちらの商品はお見積もり品となります。
【お見積もり依頼】よりお見積もりをご依頼ください。
- 対応するバレット型防犯カメラをポール設置する際に使用します
- ジャンクションボックスとの組み合わせにも対応します
[納期区分] お取り寄せ:3~4営業日以内に出荷
商品説明
【商品説明】ポール取付金具 TR-UP06-C-IN
UniView製バレット型防犯カメラ用ポール取付金具
TR-UP06-C-INはUniView製バレット型防犯カメラに適合したポール取付金具です。
対応するUniview製バレット型防犯カメラをポール設置する場合にご使用いただけます。
【ポール取付金具 TR-UP06-C-IN】のご紹介
TR-UP06-C-INはUniView製バレット型防犯カメラに適合したポール取付金具です。対応するUniView製バレット型防犯カメラをポール設置する場合にご使用いただけます。また、ジャンクションボックスと組み合わせての取付にも対応します。
仕様
【仕様】ポール取付金具 TR-UP06-C-IN
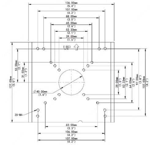
| 寸法 | 127×136×62.5mm |
| 対応ポール径 | 67mm~127mm |
| 質量 | 0.34kg |
| 材質 | アルミニウム合金 |
ご注意
- 商品は品質改善の為、予告なく仕様が変更となる場合がございます。
- こちらの商品はUniView製バレット型防犯カメラおよびジャンクションボックスの一部製品に適合します。
全てのカメラ、ジャンクションボックスに適合する訳ではありませんのでご注意下さい。









