Zoom
【TR-JB03-G-IN】
ジャンクションボックス
型番: TR-JB03-G-IN
販売元: UniView
¥9,999,999
こちらの商品はお見積もり品となります。
【お見積もり依頼】よりお見積もりをご依頼ください。
- カメラの配線を収納し、ケーブル切断を防止するジャンクションボックス
- ケーブル接続部分の防水保護が可能
[納期区分] お取り寄せ:3~4営業日以内に出荷
商品説明
【商品説明】ジャンクションボックス TR-JB03-G-IN
UniView製ドーム型防犯カメラ用ジャンクションボックス
TR-JB03-G-INはUniView製ドーム型防犯カメラに適合したジャンクションボックスです。
対応するUniView製ドーム型防犯カメラのケーブル接続部分をボックス内に収納することができます。
【ジャンクションボックス TR-JB03-G-IN】のご紹介
TR-JB03-G-INはUniView製ドーム型防犯カメラに適合したジャンクションボックスです。対応するUniView製ドーム型防犯カメラのケーブル接続部分をボックス内に収納することができ、防水性を高め、一体感のある見た目で設置することができます。
仕様
【仕様】ジャンクションボックス TR-JB03-G-IN
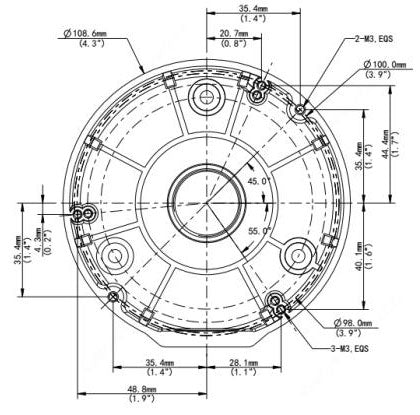
| 寸法 | Ø108.6 × 36mm(Ø4.28” × 1.42”) |
| 質量 | 0.2kg(0.44ポンド) |
| 材質 | アルミニウム合金 |
ご注意
- 商品は品質改善の為、予告なく仕様が変更となる場合がございます。
- こちらの商品はUniView製ドーム型防犯カメラの一部製品に適合します。
全てのカメラに適合する訳ではありませんのでご注意下さい。











