Zoom
【SMT-100】
屋外設置対応全天候型集音マイク
型番: SMT-100
販売元: 竹中エンジニアリング
¥22,550から¥21,120
- 平衡/不平衡の出力切替式。平衡出力により約100mの長距離配線が可能となります
(入力側に平衡トランスユニット【TU-600】が必要な場合があります) - 屋外で使用可能な全天候型(IPX5相当)
- 独立した2出力で2台の機器への接続が可能
- 配線に便利な端子式
[納期区分] お取り寄せ:3~4営業日以内に出荷
商品説明
【商品説明】屋外設置対応全天候型集音マイク SMT-100
屋外設置対応全天候型集音マイク SMT-100
SMT-1は設置場所の音声や異常音を離れた所からモニターする為の屋外設置対応全天候型集音マイクです。
IPX5相当の防水性能を備え、屋外環境に設置できます。
【屋外設置対応全天候型集音マイク SMT-100】のご紹介
SMT-100は竹中エンジニアリング株式会社製の屋外設置対応全天候型集音マイクです。設置場所の音声や異常音を離れた所からモニターすることができ、防犯・監視カメラに音声を追加したい場合にご活用いただくことができます。
本体はIPX5相当の防水性能を備え、屋外環境への設置が可能な為、屋外防犯カメラと組み合わせて音声記録を行いたい場合に有効です。また、感度調節が出来ることから、音声集音能力を高めたい場合にもお薦めです。
SMT-100はスマートな円形デザインに仕上がっているので、屋外の壁面や軒下等へ景観を損なわずに設置することができます。防犯・監視カメラの映像に音声を加えることで、その場のやり取りを確認することができるので、音声による監視を行いたい場合にご活用下さい。
仕様・アクセサリー
【仕様・アクセサリー】屋外設置対応全天候型集音マイク SMT-100
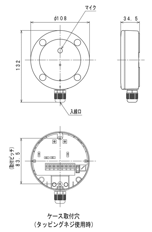
SMT-100 仕様
| 品名 | 集音マイク |
| 品番 | SMT-100 |
| 電源電圧 | DC8~30V(極性あり) |
| 消費電流 | 15mA以下 |
| 出力条件 | 最大配線長(平衡時:100m 不平衡時:20m) 負荷インピーダンス:600Ω ・平 衡 時:ツイストシールド線 ・不平衡時:シールド線、ツイストシールド線 ※設置環境によってはノイズの混入により最大配線長を満たさない場合があります。 |
| 出力 | 2出力(2出力とも独立して①②の切替可能 ①マイク設定:-60dBV±10dB(ボリュームにて可変) ②ライン設定:-30dBV±10dB(ボリュームにて可変) |
| 使用可能周囲温度 | -10℃~+50℃ |
| 取付場所 | 屋内/屋外(IPX5相当) ※屋外ではカバーを上方向水平に向けた取り付けは不可 |
| 配線接続 | 端子式(M3セルフアップ端子) |
| 適応ケーブル径 | Φ4.5~7.8mm |
| 質量 | 約130g |
| 外観 | 本体:樹脂(ホワイト) カバー:樹脂(ホワイト) |
| 同梱内容 | SMT-100本体 タッピングネジ(ゴムワッシャー付):φ3×16 2本 キャップ(中キャップ含む):1セット 両面粘着テープ:1枚 取扱説明書 |
ご注意
- 商品は品質改善の為、予告なく仕様が変更となる場合がございます。
SMT-100 アクセサリー
こちらの商品に対応した主なアクセサリーカテゴリーの一覧です。必要なアクセサリーがありましたら別途お買い求めください。
| 対応アクセサリー | 説明 |
|---|---|
| ケーブル | こちらの商品には配線ケーブルは付属しておりません。配線ケーブルが必要な場合は別途お買い求めください。また、ケーブルについてご不明な場合はお気軽にお問い合わせください。 |
| DC12V-1Aアダプター | 本商品には電源は付属しておりません。 常時電源を取る場合、 別途DC12V-1Aスイッチング式ACアダプターをお買い求め下さい。 |
| コネクタ | 接続に際して、変換コネクタが必要な場合は別途お買い求めください。 |
| TU-600 | 20m以上の長距離配線を行う場合は、別途平衡トランスユニット【TU-600】と組み合わせてご使用ください。組み合わせ時は最大100mまでの長距離配線が可能です。 |
上記アクセサリー以外にも様々な周辺機器・アクセサリーをお取り扱いしております。【周辺機器・アクセサリー】のカテゴリーもぜひご覧ください。
ダウンロード一覧
【ダウンロード一覧】屋外設置対応全天候型集音マイク SMT-100
カタログ / 仕様書 / 外形寸法図 ダウンロード
| カタログ | |
|---|---|
| 仕様書 | |
| 外形寸法図 |






