【SMT-1】
天井取付型・屋内用集音マイク
型番: SMT-1
販売元: 竹中エンジニアリング
- 平衡/不平衡の出力切替式。平衡出力により約100mの長距離配線が可能
(入力機器側に平衡トランスユニット(TU-600)が必要な場合があります) - いたずらなどに効果的なタンパー出力を設けています
- 設置工事やメンテナンスに便利な本体、ベース分離方式
- 配線に便利な端子式
- インテリアにマッチしやすいホワイトカラー
- 屋内天井取付型
[納期区分] お取り寄せ:3~4営業日以内に出荷
【商品説明】天井取付型・屋内用集音マイク SMT-1
天井取付型・屋内用集音マイク
SMT-1は設置場所の音声や異常音を離れた所からモニターする為の天井取付型・屋内用集音マイクです。
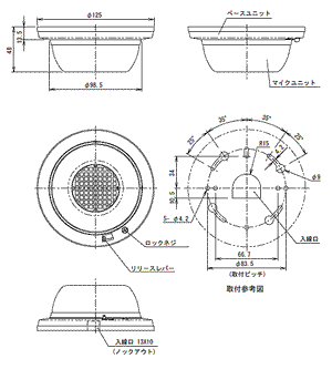
天井に取り付けるベース部分と本体部分を分離できるので、取付工事やメンテナンス時の利便性が高い施工向けの製品です。
【天井取付型・屋内用集音マイク SMT-1】のご紹介
SMT-1は竹中エンジニアリング株式会社製の天井取付型・屋内用集音マイクです。設置場所の音声や異常音を離れた所からモニターすることができ、防犯・監視カメラに音声を追加したい場合にご活用いただくことができます。
本体は天井に取り付けるベース部分と本体部分を分離できるので、取付工事やメンテナンス時の利便性が高く、施工向けの製品となります。また、感度調節が出来ることから、音声集音能力を高めたい場合にもお奨めです。
SMT-1はスマートなドーム形状のデザインに仕上がっているので、店舗や事務所、病院等に設置する際、景観を損なわずに設置することができます。防犯・監視カメラの映像に音声を加えることで、その場のやり取りを確認することができるので、音声による監視を行いたい場合にご活用下さい。
【仕様・アクセサリー】天井取付型・屋内用集音マイク SMT-1
SMT-1 仕様
| 品名 | 集音マイク |
| 品番 | SMT-1 |
| 電源電圧 | DC8~30V(極性あり) |
| 消費電流 | 15mA以下 |
| 出力条件 | 最大配線長(平衡時:100m 不平衡時:20m) 負荷インピーダンス:600Ω ・平 衡 時:ツイストシールド線 ・不平衡時:シールド線、ツイストシールド線 ※設置環境によってはノイズの混入により最大配線長を満たさない場合があります。 |
| 出力 | ①マイク設定:-60dBV±10dB(ボリュームにて可変) ②ライン設定:-30dBV±10dB(ボリュームにて可変) |
| タンパー出力 | 無電圧接点(b接点) AC/DC24V・0.25A(抵抗負荷) |
| 使用可能周囲温度 | -10℃~+50℃ |
| 取付場所 | 屋内 |
| 配線接続 | 端子式(M3セルフアップ端子) |
| 質量 | 約115g |
| 外観 | 本体:ABS樹脂(ホワイト) カバー:PE樹脂(ホワイト) |
| 同梱内容 | SMT-1本体 タッピングネジ:4×20 2本 取扱説明書 |
- 商品は品質改善の為、予告なく仕様が変更となる場合がございます。
SMT-1 アクセサリー
こちらの商品に対応した主なアクセサリーカテゴリーの一覧です。必要なアクセサリーがありましたら別途お買い求めください。
| 対応アクセサリー | 説明 |
|---|---|
| ケーブル | こちらの商品には配線ケーブルは付属しておりません。配線ケーブルが必要な場合は別途お買い求めください。また、ケーブルについてご不明な場合はお気軽にお問い合わせください。 |
| DC12V-1Aアダプター | 本商品には電源は付属しておりません。 常時電源を取る場合、 別途DC12V-1Aスイッチング式ACアダプターをお買い求め下さい。 |
| コネクタ | 接続に際して、変換コネクタが必要な場合は別途お買い求めください。 |
| TU-600 | 20m以上の長距離配線を行う場合は、別途平衡トランスユニット【TU-600】と組み合わせてご使用ください。組み合わせ時は最大100mまでの長距離配線が可能です。 |
上記アクセサリー以外にも様々な周辺機器・アクセサリーをお取り扱いしております。【周辺機器・アクセサリー】のカテゴリーもぜひご覧ください。
【ダウンロード一覧】天井取付型・屋内用集音マイク SMT-1
カタログ / 仕様書 / 外形寸法図 ダウンロード
| カタログ | |
|---|---|
| 仕様書 | |
| 外形寸法図 |









